RTP电光开关
您当前的位置 : 首 页 > 产品中心 > 电光开关
QBD-nano电光开关驱动模块

QBD-nano电光开关驱动模块

  • 所属分类:电光开关
  • 浏览次数:
  • 发布日期:2024-03-21
  • 产品概述
  • 性能特点
  • 技术参数

1.产品特点:

QBD-nano电光开关驱动模块是一款极其紧凑的普克尔盒驱动板,可在宽温度范围内产生具有高重复率、快速上升时间(1-3 ns)和可调脉冲幅度的高压脉冲。输出电压范围(高达5.0kV 双极)。QBD-nano 专门设计用于通过施加快速开关高压来控制普克尔盒。


基本版本的主要参数:

•输入电压 5 V DC

•输出-高压双极脉冲(另见下图)

•脉冲幅度-可在(0.75-1)UMAX范围内调节

•上升时间1-3 ns(取决于负载和脉冲幅度)

•zui大重复频率1 kHz(取决于负载、脉冲幅度、环境和冷却条件)

•工作温度 40…+60°C


QBD-nano电光开关驱动模块


2.产品展示:

QBD-nano电光开关驱动模块


QBD-nano电光开关驱动模块


3.产品使用

连接,信号,信号描述图如下:


QBD-nano电光开关驱动模块


J1输入/输出接口:SM06B-SRSS (JST) 



端脚(颜色)

定义

详细描述

1(红色)

PWR +5VDC

连接+5 V DC电源,建议电流>500 mA

2(黑色)

PWR GND

电源GND

3(黄色)

触发输入

接触发信号提供高压脉冲输出,信号要求:

•振幅5 V(3 V-8 V)

•输入阻抗50Ohms

•上升沿<20 ns

•持续时间>20 ns

4(黑色)

触发GND

触发GND

5(绿色)

测试/控制

端脚5和6用于重复高压输出的测试信号,DC高压比例1:10000,或者应用控制电压,端脚5和6可以用于调节脉冲幅值:

•0 V – 输出电压定义为HV ADJUST trimpot

•5 V – 输出电压设定为大约比HV ADJUST trimpot 低20%

端脚5输入阻抗是47 kOhm

6(黑色)

试/控制 GND

测试返回控制信号



J2(高压输出):SM02B-BHSS (JST) 



端脚

定义

描述

1(红色)

HV OUT+

高压输出正极

2(红色)

HV OUT-

高压输出负极



HV ADJUST TRIMPOT:

脉冲幅度可在2800 V-3800 V范围内使用此微调器进行调整。

典型输出包括:标准波形,可选波形(长上升沿,钟形脉冲),如下图:


QBD-nano电光开关驱动模块


4.注意事项:

1.高压危险,请按说明书使用

2.请用差分高压探头探测,测试时使用不规范非常容易造成驱动模块损坏


5.具体参数

本款QBD-nano-3801


输入

+5VDC (4.5V-5.5V); 500mA zui大

电流消耗

<300mA (6pF, 3.8kV, 1kHz)

输出


类型

双极

高压脉冲幅度

2800V-3800V 可调节

脉冲稳定性

<1%

上升时间

1-3ns

准时设定

0.5-1.0us出厂设定,默认为0.8-0.9us

恢复时间

<10us

延迟

<20ns 典型值

抖动

<0.1ns 典型值

重复频率

zui高达1kHz

负载电容

建议5-7pF,zui大20pF

操作温度

-40℃ ~ +60℃ (其他温度范围也可定制)

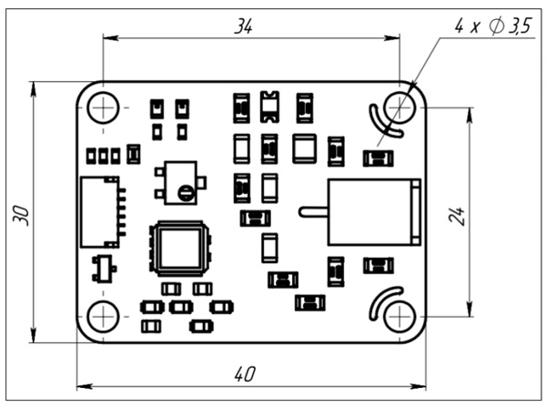
尺寸

40(L)x30(W)x8(H) mm

重量

10g

QBD-nano电光开关驱动模块

6.常用型号

型号

电压zui大值

zui大频率

QBD-nano-3801

3800V

1kHz

QBD-nano-2502

2500V

2kHz

QBD-nano-5001

5000V

1kHz

QBD-nano-3804

3800V

4kHz


标签

近期浏览:

相关产品

相关新闻

服务热线

0531-88153122

邮箱

 jingxu@coupletech.com

地址

山东省济南市高新区科嘉路1287号幸福连城光电创新园1号楼西侧4楼

  • BBO电光开关
    扫描添加联系人
  • BBO电光开关
    扫描进入公众号
Copyright © 2024 济南快谱光电技术有限公司 All Rights Reserved. 鲁ICP备12023286号-2 技术支持:嵊灿科技 营业执照 主营区域: 山东 济南 天津 武汉 上海 淄博 滨州 泰安 威海